秦先生琪琪八部曲视频,瘦猴子梦幻谷官网入口,世界模特大赛中国区冠军

复式铰链补偿器
复式铰链补偿器
详细说明:

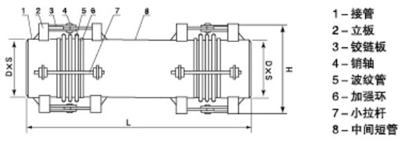
复式铰链补偿器结构图



  复式铰链补偿器参数表

 


主站蜘蛛池模板: 贵港市| 许昌市| 同德县| 昂仁县| 富川| 鸡东县| 临沭县| 淳安县| 洱源县| 辽阳县| 澳门| 金门县| 敦煌市| 贵港市| 靖西县| 沛县| 太谷县| 建德市| 义马市| 黄骅市| 四平市| 中江县| 黔西县| 通州市| 东丰县| 婺源县| 靖西县| 武功县| 酉阳| 秦安县| 台东市| 正定县| 冀州市| 图木舒克市| 固始县| 南丰县| 澄城县| 南岸区| 裕民县| 阿城市| 平和县|